Hotline: 0945535645
Kinh Doanh: 0945911866
CSKH: 0979371348
Email: Thegioikhoacua68@gmail.com
Khóa cửa Zickler Germany được sản xuất tại Việt Nam , đạt chỉ tiêu chất lượng khắt khe của CHLB Đức. Khóa được ưa chuộng bởi độ bền bỉ, hoạt động ổn định và có giá thành vô cùng hợp lí.
Khóa cửa Zickler ZL10 là mẫu khóa truyền thống kinh điển của thương hiệu Zickler Germany. Khóa được làm hoàn toàn bằng inox nguyên tấm trên dây chuyền công nghệ hiện đại của CHLB Đức.
Ốp khóa hình chữ nhật bề mặt xước mờ giúp cho khóa không bị xấu đi theo thời gian sử dụng. Tay khóa dạng thẳng tròn giúp cho khóa có hình dạng chắc chắn sang trọng và không bị lỗi mốt.
Thân khóa được làm bằng Inox, các chi tiết bên trong được tra sẵn dầu mỡ giúp khóa hoạt động ổn định mà không cần phải bảo dưỡng suốt vòng đời. Chốt và lấy khóa được làm bằng đồng thau chống cạy chống khoan phá.
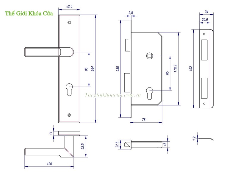
Khóa inox Zickler ZL 10 có kích thước lớn thường dùng làm khóa cửa chính,
Thương hiệu : Zickler Germany
Mã sản phẩm : ZL 10
Chất liệu : Inox cao cấp
Kiểu tay khóa : Ốp vuông, tay tròn
Thân khóa : Inox chống gỉ
Loại cửa : Lắp cho cửa gỗ từ 3 cm trở lên
Kích thước ốp : Dài 265mm, rộng: 52mm
Củ khóa : Đồng mạ niken chống dò chìa, chống khoan phá
Chìa : Bộ chìa gồm 5 chìa cắt vi tính CNC.
Khóa cửa chính tay gạt inox ZL 10 sản xuất chính hãng từ thương hiệu khóa Zickler Germany và được bảo hành lên tới 5 năm.







BẢN VẼ SẢN PHẨM

VIDEO SẢN PHẨM
Thế Giới Khóa Cửa Cam Kết :
* Sản Phẩm Chính Hãng 100%
* Sản Phẩm Đúng Qui Cách Chất Lượng
* Bảo Hành Theo Tiêu Chuẩn - Hỗ Trợ 24/7

Showroom Thế Giới Khóa Cửa
481 Hoàng Quốc Việt - Cầu Giấy - Hà Nội
280 Trường Chinh - Đống Đa - Hà Nội
Hotline: 0945535645